|   多吸油烟机采用轻触式开关控制,用低价的单片机(如PIC16C54)做吸油烟机控制器可以获得较好的效果。除了PIC16C54外,类似的还有麦肯电子的单片机MDT2005等,只要通过一个简单的转换程序,就可以将PIC16C54的程序转换为MDT2005的程序,给选用芯片带来了很大方便。
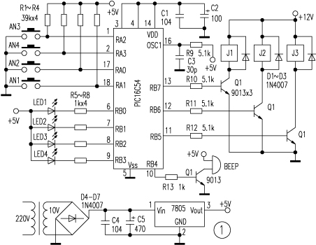
  图1是采用PIC16C54的吸油烟机控制器电路,其功能如下:J1控制吸油烟机的照明灯,按一下AN1,LED1变亮,同时继电器J1吸合。再按一下AN1,LED1熄灭,J1释放。J2、J3是控制吸油烟机风扇的转速,按一下AN2,LED2变亮,同时J2吸合,此时按一下AN3,LED3变亮,LED2熄灭,同时J3吸合,J2释放。再按AN2则LED2变亮,LED3熄灭,J2吸合,J3释放。继电器J2、J3是互锁的,两者只有一个能够吸合。AN4为开关,控制AN2和AN3。按一下AN4,LED4变亮,这时可以按AN2、AN3对J2、J3进行控制,再按一下AN4则LED4熄灭,亮着的LED2或LED3也熄灭,吸合着的J2或J3也同时释放。在LED4不亮的状态下,按AN2或AN3不起作用,AN1则不受影响。图2为该电路的电气安装图。
  由于该电路要控制电机,因此对抗干扰的要求很高。可从电路和软件两方面考虑。在电路方面,全部电路装在两块线路板上。单片机和按键在小板上,安装在吸油烟机的面板上。继电器、电源在一块较大的线路板上,安装在吸油烟机内部,两板间用一根5芯电缆连接。在软件方面,应在内存中保存一些输出端口寄存器的备份,并经常进行对比分析,若发现输出端口寄存器被干扰信号修改,就用备份数据恢复。由于PIC16C54内置WDT,因此应使WDT处于使能状态,并在程序的适当位置加入清WDT的指令。目前该控制器已在多款吸油烟机中得到应用,效果良好。
 |